Cicloconversores

 
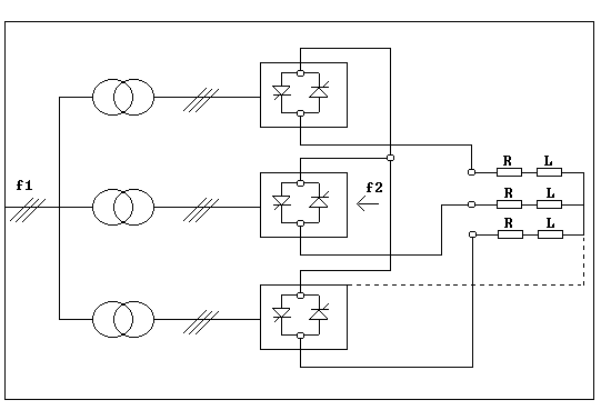
En el rango de las altas potencias (varios MW), los accionamientos con motores sincrónicos son los más utilizados. Este accionamiento se realiza mediante un conversor directo de frecuencia, comúnmente llamado cicloconversor. El cicloconversor genera tensiones trifásicas de amplitud y frecuencia variables directamente desde la red trifásica de alimentación. La tensión de cada fase de la carga es generada mediante el uso de dos rectificadores trifásicos tipo puente conectados en antiparalelo, tal como se muestra en la Figura Nº1.

La tensión de la carga es producida realizando una modulación del ángulo de disparo de los tiristores. Además, por su principio de funcionamiento tiene la frecuencia de salida bastante limitada, la que solamente puede alcanzar una fracción de la frecuencia de entrada. Generalmente, los motores sincrónicos que son alimentados por los cicloconversores tiene una frecuencia relativamente pequeña y variable en un rango de [0-15] Hz.
 
Figura Nº1: Esquema de un Cicloconversor
 
 
Las armónicas de corriente que inyecta el cicloconversor se pueden dividir en:
 

    1.- Armónicas Características
     
  • Son independientes de la configuración y del número de pulsos del cicloconversor.
     
  • Las frecuencias de estas armónicas son dependientes de la frecuencia de salida y están dadas por la ecuación:
     
    ecuación 1
    donde
     
    fi: frecuencia de la red.
    fo:frecuencia de salida.
     
     
    2.- Armónicas dependientes del circuito
     
  • La frecuencia de estas armónicas depende del número de pulsos del cicloconversor y de la frecuencia de salida.
     
  • En un cicloconversor de 12 pulsos estas armónicas tienen frecuencias determinadas por la siguiente ecuación:
     
    ecuación 2
     
     
 
 
Página Inicial Armónicas en los Sistemas Eléctricos
Página Anterior Convertidores de Frecuencia



Volver Áreas de Aplicación

Volver entrada